درباره مکانیکال سیل Iseal مدل IS32
مکانیکال سیل Iseal مدل IS32 مقرون به صرفه، یک سیل تک جزیی متعادل و متعادل با وجه های سیل خود روان کننده است. به تجهیزات خنک کننده خارجی یا روانکاری یا سیستم تامین نیازی نیست. مکانیکال سیل IS32 برای کاربردهای میکسر بی نیاز و برای کار در شرایط خلاء عالی است.
امکانات
امکانات مکانیکال سیل Iseal مدل IS32
- حلقه جفت گیری محکم شده از حرکت محوری حلقه جفت گیری جلوگیری می کند.
- سیل را می توان خشک یا مرطوب کرد.
- ID- و OD-balanced (دوگانه متعادل).
- بدون نیاز به روغن کاری خارجی
- مطابق با استانداردهای فرآوری دارویی و شیمیایی.
- مکانیزم محرک T-bar قوی برای انتقال با گشتاور بالا.
- ضایعات اختیاری امکان شستشو و استریل کردن آسان را در طول چرخه تمیز کردن (CIP و SIP) فراهم می کند.
- قابل تعمیر میدانی
کاربردها
کاربردهای مکانیکال سیل Iseal مدل IS32
- میکسر و همزن
- سایر تجهیزات چرخشی
مشخصات فنی
مشخصات فنی مکانیکال سیل Iseal مدل IS32
- محدودیت های دما :
- -۴۰ درجه فارنهایت تا ۳۰۰ درجه فارنهایت / -۴۰ درجه سانتیگراد تا ۱۵۰ درجه سانتیگراد
- محدودیت های فشار : مکش تا ۱۵ بار (گرم)
- محدودیت سرعت : ۴۰۰fpm/2m/s
دانلود کاتالوگ مکانیکال سیل Iseal مدل IS32
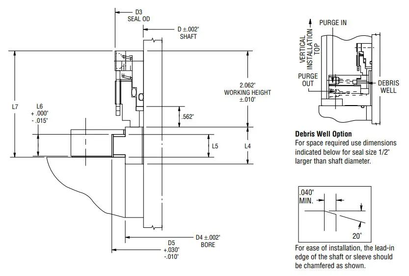
نقشه فنی
نقشه فنی مکانیکال سیل Iseal مدل IS32

جدول ابعاد




