ویژگی های آب بند مکانیکی AX25
- پیکربندی خارجی
- آب بند بالانس
- آب بند مکانیکی مستقل از جهت چرخش محور
- مستقل از جهت فشار وارده
- نصب و راه اندازی پر قدرت و آسان
- فنرهای محافظت شده از محصول
- هیچ قسمت فلزی در اطراف محصول وجود ندارد
در ادامه به مزایا و معایب مکانیکال سیل بروگمن سری AX25 می پردازیم.
مشخصات فنی AX25
مشخصات فنی آب بند مکانیکی AX25
قطر شفت: d1 = 15 … ۳۰۰ mm (0.59″ … 11.81″)
بار فشار : p1 = 16 bar (232 PSI)
درجه حرارت: t = -40 °C … ۲۲۰ °C (-40 °F … ۴۲۸ °F)
سرعت کشویی: vg = 20 m/s (66 ft/s)
جنس مواد AX25
جنس مواد آب بند مکانیکی AX25
- جنس بدنه : سیلکون کاربید ، فولاد اسیتل CrMo
- جنس نشیمنگاه: کاربید گرافیت رزین آغشته ، سیلکون کاربید
- آب بند ثانویه: EPDM (E), NBR (P), FKM (V), FFKM (K), coated (M)
- جنس فنر: استیل CrNiMo
- قطعات فلزی: استیل CrNiMo
کاربردهای AX25
کاربردهای آب بند مکانیکی AX25
- در کلیه فرآیندهای صنعت فرآیند
- صنعت نفت و گاز
- فن آوری پالایش
- صنعت پتروشیمی
- صنایع شیمیایی
- صنعت داروسازی
- نیروگاه
- صنعت خمیر و کاغذ
- تکنولوژی آب و فاضلاب
- صنعت معدن
- صنعت خدمات ساختمانی
- صنایع غذایی و آشامیدنی
- کشتی سازی
- صنعت قند
- تولید متال و غیره
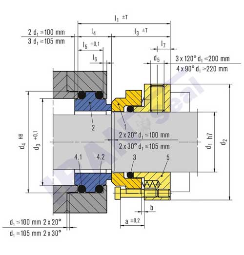
نقشه فنی AX25
نقشه فنی آب بند مکانیکی AX25

جدول فنی AX25
مشخصات فنی AX25












