امکانات مکانیکال سیل Iseal مدل IS2874
استاندارد DIN همه منظوره، متعادل، چند فنر، PTFE Wedge Seal
مکانیکال سیل Iseal مدل IS2874 یک سیل کارتریج دوگانه با فشار داخلی، روغن کاری شده با گاز و بدون تماس است که برای استفاده در محفظه های سیل بزرگ با استاندارد های API، ANSI و DIN طراحی شده است.
کاربردها
کاربردهای مکانیکال سیل Iseal مدل IS2874
- پمپ های فرآیندی
- سایر تجهیزات چرخشی
ویژگی ها
ویژگی های مکانیکال سیل Iseal مدل IS2874
- چیدمان شیار مارپیچی پمپاژ ID به OD سیال فرآیند را در OD سیل داخلی قرار می دهد.
- نواحی جریان کم را در مجاورت آب بندی داخلی از بین می برد
- آبگیری و قطع شدن دستگاه را کاهش می دهد
- حلقه جفت گیری چرخان، جریان گریز از مرکز را به سیال در محفظه سیل می دهد، که باعث حرکت سیال می شود و به جلوگیری از ریزش جامدات از محلول کمک می کند.
مشخصات فنی
مشخصات فنی مکانیکال سیل Iseal مدل IS2874
- محدودیت های دما
- -۳۰ درجه فارنهایت تا ۵۰۰ درجه فارنهایت / -۳۴ درجه سانتیگراد تا ۲۶۰ درجه سانتیگراد
- محدودیت های فشار
- خلاء تا ۶۰۰ psi(g)/(41 bar(g)
- حداکثر فشار دیفرانسیل (فرآیند/inbd) 150 psi(g) است.
- محدودیت سرعت
- ۱۴۵۰ تا ۳۶۰۰ دور در دقیقه
- سایر: ۱٫۳۷۵ تا ۴٫۰۰۰ اینچ
دانلود کاتالوگ مکانیکال سیل Iseal مدل IS2874
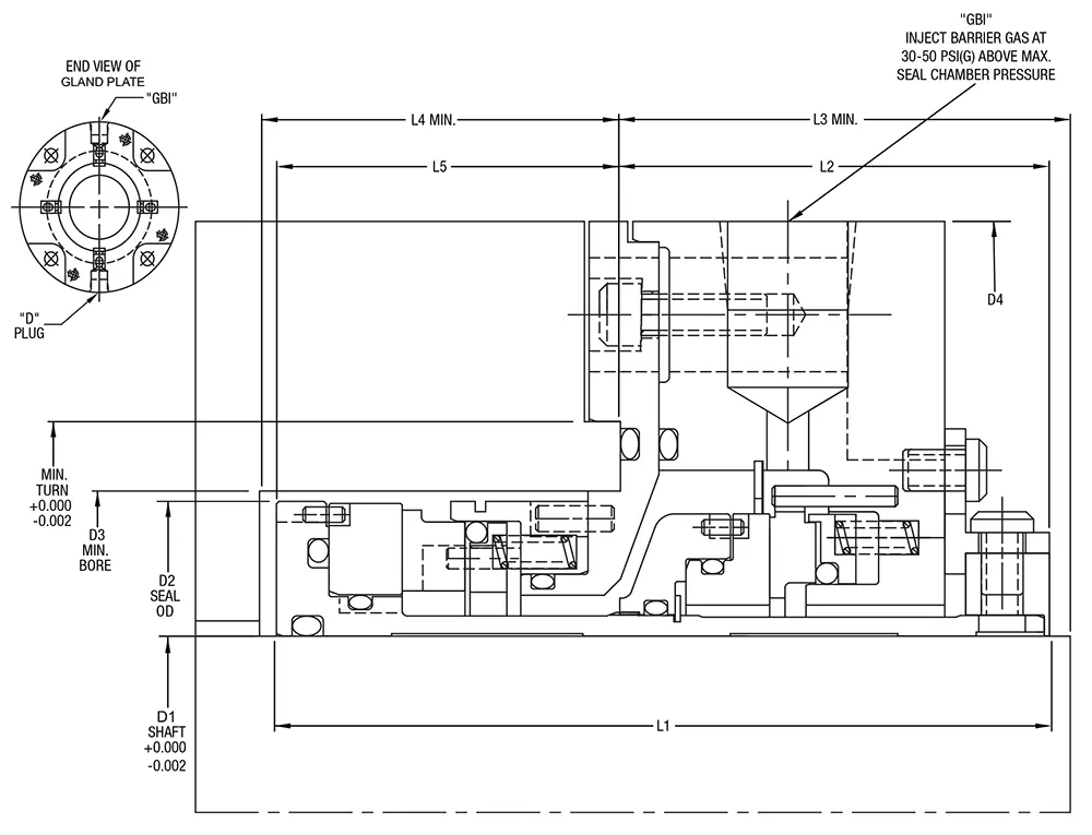
نقشه فنی
نقشه فنی مکانیکال سیل Iseal مدل IS2874

جدول ابعاد




