امکانات مکانیکال سیل Iseal مدل IS28SC
سیل مهار ثانویه غیر تماسی
مکانیکال سیل Iseal مدل IS28SC یک سیل محفظه ثانویه بدون تماس روغن کاری شده با گاز است که به عنوان جزئی از یک کارتریج سیل چندگانه استفاده می شود. درزگیرهای محفظه ثانویه برای جلوگیری از نشت سیل اولیه در صورت خرابی سیل اولیه در نظر گرفته شده است. الگوی صفحه سیل دو طرفه ثبت شده در مکانیکال سیل Iseal مدل IS28SC عملکرد غیر تماسی را فراهم می کند.
کاربردها
کاربردهای مکانیکال سیل Iseal مدل IS28SC
- پمپ های فرآیندی
- سایر تجهیزات چرخشی
ویژگی ها
ویژگی های مکانیکال سیل Iseal مدل IS28SC
- حلقه اولیه نامتعادل و طول طراحی بسیار کوتاه.
- طراحی O-ring ثانویه قابلیت اطمینان را در یک محیط خلاء امکان پذیر می کند – شرایطی که در طرح های محفظه محفظه Plan 02 رایج است.
- عملیات بدون تماس.
مشخصات فنی
مشخصات فنی مکانیکال سیل Iseal مدل IS28SC
- محدودیت های دما
- ۳۲ درجه فارنهایت تا ۴۰۰ درجه فارنهایت / ۰ درجه سانتیگراد تا ۲۰۵ درجه سانتیگراد
- محدودیت های فشار
- خشک: ۴۵ psi (گرم) / ۳ بار (گرم)
- مرطوب: ۶۰۰ psi (گرم) / ۴۰ بار (گرم)
- محدودیت سرعت: ۵۰۰۰ فریم در دقیقه/۲۵ متر بر ثانیه
دانلود کاتالوگ مکانیکال سیل Iseal مدل IS28SC
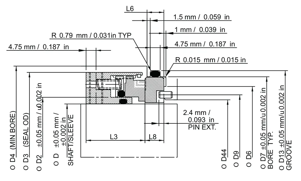
نقشه فنی
نقشه فنی مکانیکال سیل Iseal مدل IS28SC

جدول ابعاد




